Beschreibung
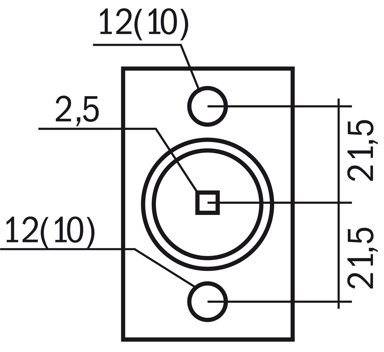
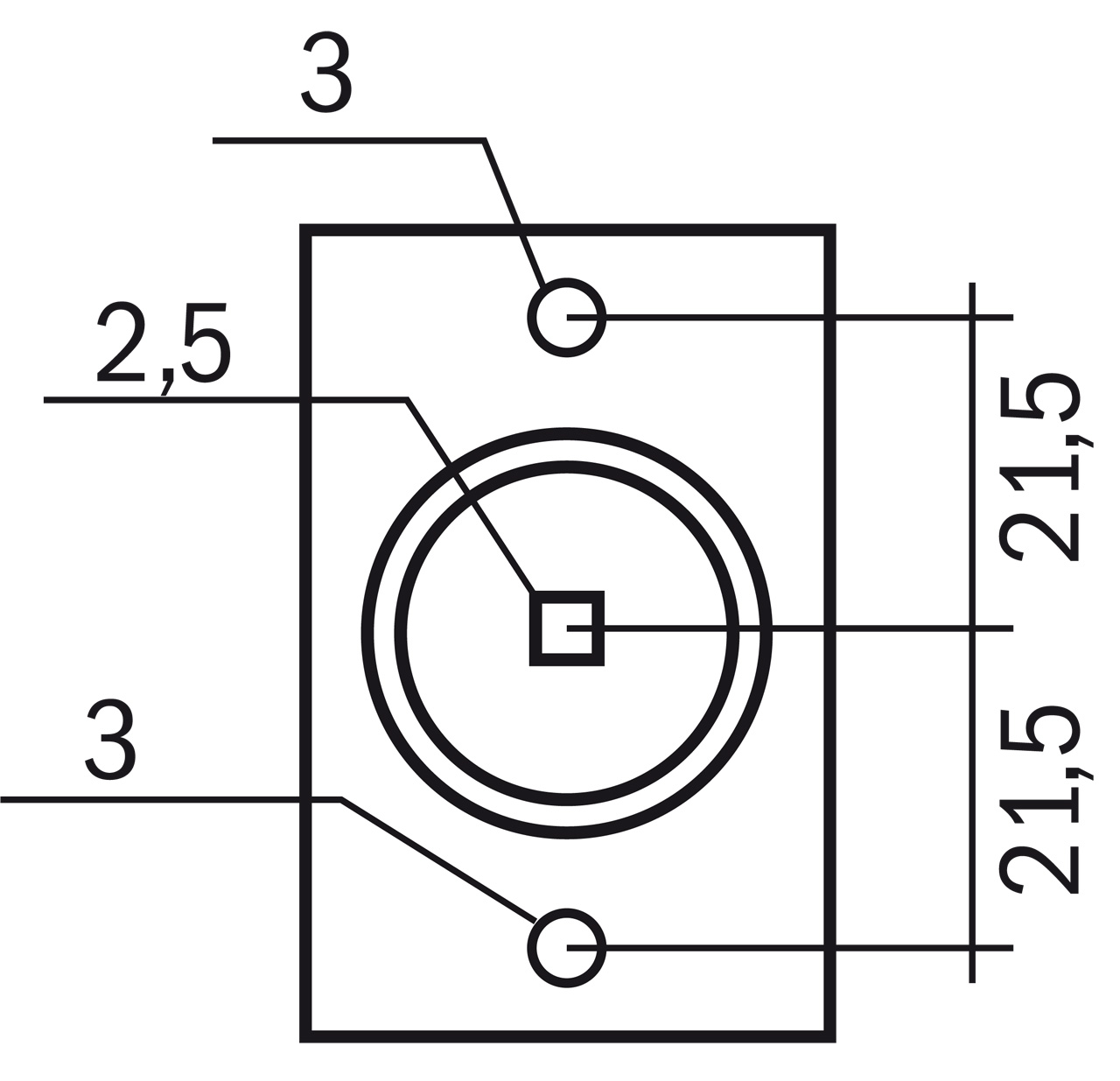
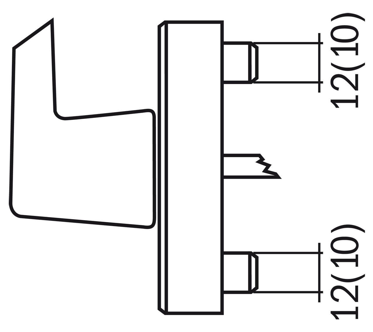
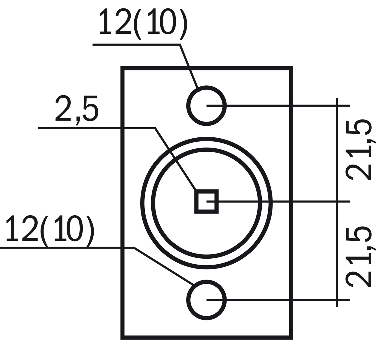
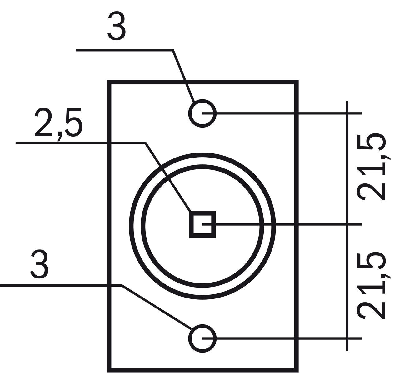
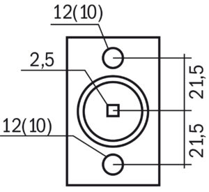
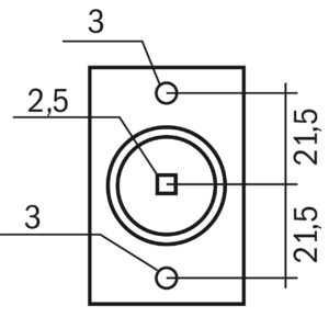
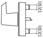
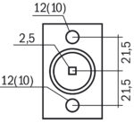
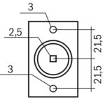
Diese Bohrmaske ist eine Bohrschablone für Fenstergriffe, deren Befestigungsschrauben in einem Abstand von 43 mm angebracht sind.
Technische Spezifikationen
Lieferumfang
ACHTUNG:
Bilder können optionales Zubehör enthalten!
Bitte Lieferumfang beachten!
Produktsicherheit
Hersteller- & Kontaktinformationen
PWA HandelsgesmbH
Nebingerstraße 7a
4020 Linz
Austria
Tel.: +43 (0) 732 / 664015
Email: bernardo@pwa.at
Produktidentifikationsmerkmale
Produktname: Bernardo Fúrófej 43 mm ablakfogantyúkhoz, felvev?vel vés?gépekhez
Artikelnummer: 14-1104
GTIN: 9009468044633
Sicherheits- und Warnhinweise
Warnzeichen:




Gebotszeichen:



Verbotszeichen:



Bitte beachten Sie zusätzlich die mitgelieferte Gebrauchsanweisung.
















































