Beschreibung
- Einsetzbar bei Fräs- und Bohrarbeiten auf Horizontal- oder Vertikalfräsmaschinen, Bohrmaschinen usw.
- Die Tischplatte ist aus hochwertigem Meehaniteguß hergestellt
- Schneckenwelle gehärtet und geschliffen, Schneckenrad aus Spezialguß
- Klemmung der Tischplatte erfolgt durch zwei Klemmhebel
- Übersetzung im Schneckengetriebe 90:1
- Grad-Teilarbeiten über Skalentrommel mit verstellbarem Nonius
- Direkt-Teilarbeiten über die am Tisch angebrachte 360° Skala
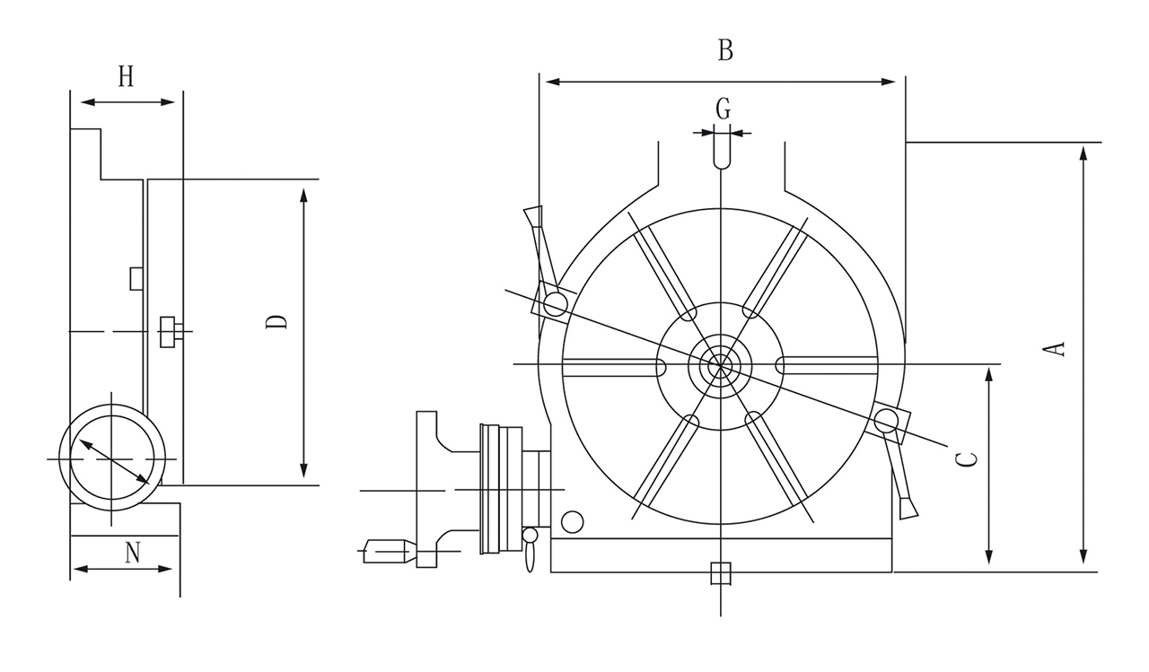
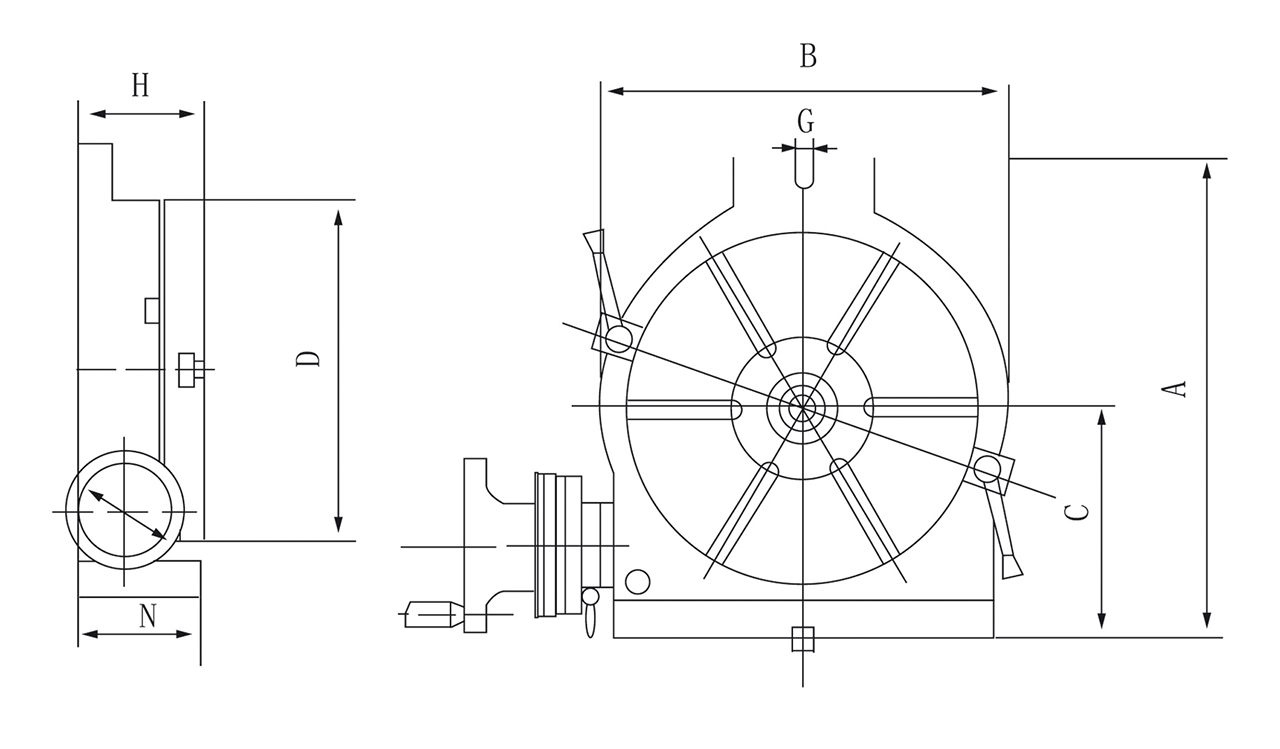
Technische Spezifikationen
|
Tischdurchmesser |
300 mm |
|
Übersetzung |
90:1 |
|
Morsekonus |
MK 4 |
|
Anzahl T-Nuten |
6 Stk. |
|
Max. Tragkraft horizontal |
120 kg |
|
Max. Tragkraft vertikal |
60 kg |
|
A |
388 mm |
|
B |
330 mm |
|
C |
195 mm |
|
D |
300 mm |
|
E |
16 mm |
|
G |
18 mm |
|
H |
135 mm |
|
N |
133 mm |
|
Gewicht ca. |
71 kg |
Lieferumfang
ACHTUNG:
Bilder können optionales Zubehör enthalten!
Bitte Lieferumfang beachten!
Produktsicherheit
Hersteller- & Kontaktinformationen
PWA HandelsgesmbH
Nebingerstraße 7a
4020 Linz
Austria
Tel.: +43 (0) 732 / 664015
Email: bernardo@pwa.at
Produktidentifikationsmerkmale
Produktname: Bernardo Horizontal- und Vertikalrundtisch HV 12
Artikelnummer: 27-1003
GTIN: 9009468029319
Sicherheits- und Warnhinweise
Warnzeichen:




Gebotszeichen:



Verbotszeichen:



Bitte beachten Sie zusätzlich die mitgelieferte Gebrauchsanweisung.







